Описание
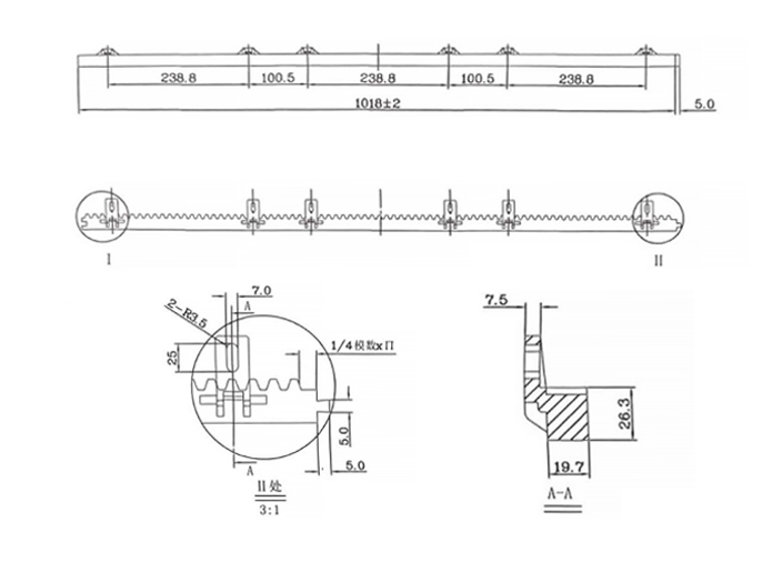
Зубчатая рейка полимерная, крепление снизу, бесшумная, модуль 4, (арт. 009CPLD2) - Зубчатая полимерная рейка для откатных ворот с весом створки до 1000 кг., крепление снизу, бесшумная, модуль 4
Показать полностью
Свернуть
Характеристики
Бренд
CAME
Отзывы
Отзывов еще никто не оставлял
